
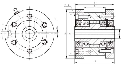
CKZ-C系列為楔塊式單向離合器,內含兩套滾珠軸承支撐。依照不同需要,出廠時內含潤滑油或潤滑脂。
內環(huán)與軸,外環(huán)與工件,用鍵聯結,用兩端蓋夾緊傳動工件。
常用在紡織機械,化工機械,食品機械,包裝機械、印刷機械等其他機械設備上。用作超越或定位送料離合器。
型號
|
額定
扭矩
[N.m]
|
超越極限轉速
[r/min] |
外形尺寸
|
重量
[kg]
|
|||||||||
外環(huán)尺寸
|
內環(huán)尺寸
|
其他尺寸
|
|||||||||||
內環(huán)
|
外環(huán)
|
D
|
B
|
n-M
|
bw×tw
|
d
[H7]
|
c
|
bn×tn
|
dI
|
L
|
|||
CKZ-C1262
|
92
|
840
|
510
|
62
|
26
|
6-M5
|
4×2.5
|
12
|
50
|
4×1.8
|
70
|
48
|
0.95
|
CKZ-C1568
|
115
|
840
|
510
|
68
|
26
|
6-M6
|
4×2.5
|
15
|
50
|
4×1.8
|
76
|
48
|
1.13
|
CKZ-C2075
|
158
|
700
|
425
|
75
|
27
|
6-M5
|
5×3.0
|
20
|
51
|
4×1.8
|
83
|
49
|
1.40
|
CKZ-C25100
|
448
|
630
|
340
|
100
|
33
|
6-M8
|
6×3.5
|
25
|
57
|
6×2.8
|
104
|
55
|
3.07
|
CKZ-C30120
|
530
|
560
|
340
|
120
|
35
|
6-M8
|
12×5
|
30
|
63
|
12×3.3
|
130
|
61
|
4.68
|
CKZ-C35130
|
920
|
490
|
225
|
130
|
37
|
6-M8
|
12×5
|
35
|
65
|
12×3.3
|
140
|
63
|
5.75
|
CKZ-C40140
|
1516
|
420
|
212.5
|
140
|
43
|
6-M8
|
12×5
|
40
|
74
|
12×3.3
|
150
|
72
|
7.67
|
CKZ-C45150
|
1500
|
420
|
212.5
|
150
|
48
|
6-M8
|
14×5.5
|
45
|
78
|
14×3.8
|
160
|
76
|
9.74
|
CKZ-C50170
|
2350
|
350
|
170
|
170
|
51
|
6-M8
|
16×6.0
|
50
|
84
|
16×4.3
|
180
|
82
|
13.34
|
CKZ-C60190
|
3100
|
280
|
170
|
190
|
55
|
6-M8
|
18×7.0
|
60
|
94
|
18×4.4
|
200
|
92
|
17.71
|
CKZ-C80200
|
3960
|
210
|
127.5
|
200
|
60
|
6-M10
|
18×7.0
|
80
|
98
|
18×4.4
|
210
|
96
|
19.98
|
CKZ-C110250
|
7000
|
180
|
110
|
250
|
104
|
8-M8
|
32×11
|
110
|
146
|
32×7.4
|
262
|
144
|
50.21
|
CKZ-C110320
|
10000
|
130
|
80
|
320
|
115
|
8-M20
|
28×10
|
110
|
180
|
28×6.4
|
330
|
175
|
81.98
|
上一條:MG系列超越離合器
下一條:NYD型楔塊式超越離合器